
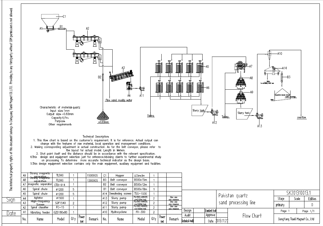
Company :Ghani Glass Ltd
? Part1: Basic requirement:
Raw material: Silica with 0.217% iron
Concentrate required to be 0.059% or lower
Input size: 1mm,mostly 0.6-0.8mm
? Part 2: Main Machinery in the solution:
high frequency screen
spiral chute
magnetic seperator
high gradient magnetic seperator
hydro cyclone
dewatering screen
? Part 3: Design
? Part 4: The use spot
